Hi,
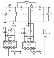
I designed a DC-DC converter and for the MOSFET driver (TLP250) I need 2 MINMAX for isolated power source (12volt). However, I don't know which MINMAX is suitable for my circuit. There are many MINMAX with a wide range of power. why the power of a MINMAX is important? How its output current should be considered?
I am thankful if someone gives me instructions for using MINMAX in a DC-DC converter.
Thank you so much
I designed a DC-DC converter and for the MOSFET driver (TLP250) I need 2 MINMAX for isolated power source (12volt). However, I don't know which MINMAX is suitable for my circuit. There are many MINMAX with a wide range of power. why the power of a MINMAX is important? How its output current should be considered?
I am thankful if someone gives me instructions for using MINMAX in a DC-DC converter.
Thank you so much
