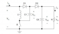
I made a boost converter yesterday night and it worked fine with a 9V 500 mAh battery. However as soon as I connected my 12V 1.2 Ah battery, I smelled something burn at the positive terminal of the battery connected to the breadboard. I disconnected it immediately. To my utter disgust the converter is acting as a buck converter now!
I checked the batteries and resistors, they are undamaged. Tomorrow I will check the switch, diode, inductors and capacitors. But I think that the wires are damaged. It began to develop I2R heat and burn. Can anyone suggest a solution? What wires should I use to withstand upto 2A? Can the breadboard withstand this? Plus, the online electronics store where i order stuff doesn't have any spec for wires. It just says connecting wires. Also when does a boost converter act like a buck converter? (Earlier with 9V, I got 18V output. 12 V battery- burns- immediately disconnected. Again connected the 9V battery getting just getting1.5V output
). All batteries remain undamaged.




