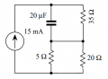
In the professors solution to question 6 part (b) I don't understand why the voltage Vc is the same as the voltage across the 35Ω resistor, is it because the capacitor and the 35Ω resistor are parallel to each other?
I thought that if the Capacitor was at Steady State DC then it behaved like an open circuit, so if no current is flowing how can there be a voltage drop?


I thought that if the Capacitor was at Steady State DC then it behaved like an open circuit, so if no current is flowing how can there be a voltage drop?

