Hi,
This is my very first post on a challenge I have been struggling with for a year. How can I build a extender to my door phone (Brand Fermax) while protecting the inputs on the arduino and avoiding more power sources than necessary ?
This post only care about converting a 24v dc biased audio signal into 0-5v readable by the arduino.
What I have come up with are two options:
1. A simple diode protected opto isolated circuit using 4n35. This will both protect the arduino and enable reading a 0-5v signal but I assume the DC bias will in reality mean the audio signal get very compressed to voltages that only vary between 4 and 5v?
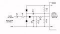
2. Therefore I have considered another circuit which first removes the 24v dc bias, then adds a smaller bias into a opamp that drives the input of the optocoupler. The issue here is that the opamp and audio signal needs a voltage source. And here I try to use the dc bias to power the opamp.
See circuit from EveryCircuit. Note this simulation is emulating input to a optocoupler for everything to the right of the opamp.
Which option is best and what would a better choice be?
This is my very first post on a challenge I have been struggling with for a year. How can I build a extender to my door phone (Brand Fermax) while protecting the inputs on the arduino and avoiding more power sources than necessary ?
This post only care about converting a 24v dc biased audio signal into 0-5v readable by the arduino.
What I have come up with are two options:
1. A simple diode protected opto isolated circuit using 4n35. This will both protect the arduino and enable reading a 0-5v signal but I assume the DC bias will in reality mean the audio signal get very compressed to voltages that only vary between 4 and 5v?
2. Therefore I have considered another circuit which first removes the 24v dc bias, then adds a smaller bias into a opamp that drives the input of the optocoupler. The issue here is that the opamp and audio signal needs a voltage source. And here I try to use the dc bias to power the opamp.
See circuit from EveryCircuit. Note this simulation is emulating input to a optocoupler for everything to the right of the opamp.
Which option is best and what would a better choice be?




