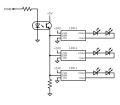
I would like to control multiple LED drivers (Mean Well LDD-L) with a single MCU-derived PWM dimming signal. As the input impedance of the driver's dimming pin is not specified, I assume that the safest approach would be to place a BJT between the MCU output and the driver's dimming input. However, I was hoping that someone could help me understand the practical differences between the configurations on the left and the right:

Are there any advantages to one over the other, given that an open circuit at DIM should register as logical high according to the datasheet? Also, is there any benefit to assigning each LDD to a separate BJT rather than having them all downstream of a single transistor?
Thanks!

Are there any advantages to one over the other, given that an open circuit at DIM should register as logical high according to the datasheet? Also, is there any benefit to assigning each LDD to a separate BJT rather than having them all downstream of a single transistor?
Thanks!
Last edited:

