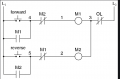
I need a controller for the motor on my small lathe. This is a 0.33 HP 230v single phase 2.8 amps full load motor with four connections. I need to be able to start the motor in forward or reverse directions, to have an emergency stop button, to have an NPR function so that if the power fails and is later restored, the motor cannot start unexpectedly. Ideally the system will also protect the motor against overload. I suppose it may need soft start if the end result is cheaper due to the need to handle less current. It does not need to be variable speed. I seem to be able to buy a controller that will do this but at an outrageous price (more than I paid for the whole lathe). Can I make a controller that will do this? I am competent at electronic design (but not really in power circuits), firmware design, PCB layout etc. I can use solid state switching or contactors, whichever turns out best/cheapest. I hope someone can direct me towards the appropriate parts to achieve this, to schematics or application notes, or complete reference designs.
Thank you - Rowan
Thank you - Rowan
