hey everybody,
It’s been about 10 years since I’ve studied electronics in school and it’s needless to say that I’m a bit rusty. I would like to ask for advice from you guys to see if my logic for a project I’m working on is actually correct.
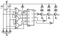
The thing I want to do is build a dice tower for roleplaying, modeled after the helm station of a Star Trek vessel. Yes, I am a nerd. Part of this would be the possibility to change the internal lighting of the console from blue, to yellow, to red with one button to turn on each color. As someone who’s mainly an electrician, I was looking for a more crude solution, until I remembered some of my electronics training. After some research, I figured out that, using a USB as power supply, I should be able to use a 74LS175 Quad D Flip-Flop for my purposes.
As I said, however, I’m rusty when it comes to electronics and I’d like to see if my logic in the attached plan (Drawn on iPad because it’s the best software I have right now) is correct. The idea is that when the blue button is pressed, the Blue led goes on and the red and green ones turn off. When the yellow button is pressed, blue turns off and red and green turn on. If the red button is pressed, red turns on and green and blue turn off.
The LED’s I’d be using would be Eastilion 5mm Round head Common Cathode RGB LED Emitting Diodes
My main concerns are: 1) how bad is it that I’m using my signal as a clock pulse. In my head, doing this means that the unneeded outputs get the same clock and are turned off, while the one needed turns on. 2) how many LEDs can I hang to these exits. Do I remember correctly and do I just use 1 resistor of 100 for each color and just parallel them, or should each bulb have its own three resistors?
Thanks for the help

It’s been about 10 years since I’ve studied electronics in school and it’s needless to say that I’m a bit rusty. I would like to ask for advice from you guys to see if my logic for a project I’m working on is actually correct.
The thing I want to do is build a dice tower for roleplaying, modeled after the helm station of a Star Trek vessel. Yes, I am a nerd. Part of this would be the possibility to change the internal lighting of the console from blue, to yellow, to red with one button to turn on each color. As someone who’s mainly an electrician, I was looking for a more crude solution, until I remembered some of my electronics training. After some research, I figured out that, using a USB as power supply, I should be able to use a 74LS175 Quad D Flip-Flop for my purposes.
As I said, however, I’m rusty when it comes to electronics and I’d like to see if my logic in the attached plan (Drawn on iPad because it’s the best software I have right now) is correct. The idea is that when the blue button is pressed, the Blue led goes on and the red and green ones turn off. When the yellow button is pressed, blue turns off and red and green turn on. If the red button is pressed, red turns on and green and blue turn off.
The LED’s I’d be using would be Eastilion 5mm Round head Common Cathode RGB LED Emitting Diodes
My main concerns are: 1) how bad is it that I’m using my signal as a clock pulse. In my head, doing this means that the unneeded outputs get the same clock and are turned off, while the one needed turns on. 2) how many LEDs can I hang to these exits. Do I remember correctly and do I just use 1 resistor of 100 for each color and just parallel them, or should each bulb have its own three resistors?
Thanks for the help





