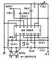
I have just built the flash gun trigger from the hiviz website, when I block the light between the two IR leds, I get a nice pulse at pin 6 of the ne555, resulting in a nice trigger pulse out of pin 9, monitoring pin 9 the pulse is strong on the output pin, it is strong on the SCR side of the 22k resistor until I solder the SCR in circuit then the pulse drops to about 1 volt, is this correct? is this enough to fire the SCR because i'm getting nothing happening.
Where do I attach the flashgun ? does it fit between the output of the SCR and ground? is that my problem?
Neil.

Where do I attach the flashgun ? does it fit between the output of the SCR and ground? is that my problem?
Neil.
