Hi Friends ,
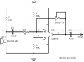
I am trying to make a simple gain circuit followed by a unity gain / voltage follower.so the circuit have two opAmps ics .the function of 1st IC is to gain the low volume audio coming from pre amp.
And the function for 2nd IC is to input the gained output of 1and summing mix with another signal and output it to the channels (using TL074 here for dual output , eg. Lin ---> L1out + L2out)
For powering the board ,I am using single supply PS and connected it ic by virtual ground method.
The problem i am facing is , i am getting high pitch noise on the output playing with the audio.
Following is my circuit (please ignore the drawing mistakes ):

Following is the image I took reference from (i have altered the pin 2 with 3 and vice versa) as it was wrong in diagram.

Thanks in advance for answering and your time
I am trying to make a simple gain circuit followed by a unity gain / voltage follower.so the circuit have two opAmps ics .the function of 1st IC is to gain the low volume audio coming from pre amp.
And the function for 2nd IC is to input the gained output of 1and summing mix with another signal and output it to the channels (using TL074 here for dual output , eg. Lin ---> L1out + L2out)
For powering the board ,I am using single supply PS and connected it ic by virtual ground method.
The problem i am facing is , i am getting high pitch noise on the output playing with the audio.
Following is my circuit (please ignore the drawing mistakes ):

Following is the image I took reference from (i have altered the pin 2 with 3 and vice versa) as it was wrong in diagram.

Thanks in advance for answering and your time
