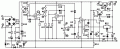
Hi
I want build this power supply but this circuit has just CC indicator (D12), How can I add CV LED indicator?
Thanks


Source: https://www.electronics-lab.com/pro...-power-supply-with-current-control-0-002-3-a/
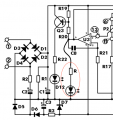
I want build this power supply but this circuit has just CC indicator (D12), How can I add CV LED indicator?
Thanks


Source: https://www.electronics-lab.com/pro...-power-supply-with-current-control-0-002-3-a/




