Hi
Could you please help me with this circuit
It is very simple and i have done it several times before but i don't know what is wrong with it this time

The problem is that the led stays on all the time even when the switch is open
The buzzer is working correctly : when the switch is open it is on and when the switch is closed it is off
But the led is on all the time either the switch is open or closed
I tried to change the values of the resistor R2 but it didn't help
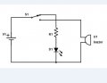
Could you please help me with this circuit
It is very simple and i have done it several times before but i don't know what is wrong with it this time

The problem is that the led stays on all the time even when the switch is open
The buzzer is working correctly : when the switch is open it is on and when the switch is closed it is off
But the led is on all the time either the switch is open or closed
I tried to change the values of the resistor R2 but it didn't help






