240V Split Phase AC for SMPS

Thread Starter

forrestk9

Joined Jan 7, 2025
5
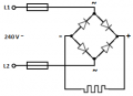
I'm trying to determine if it is possible to use 240V AC (2 hot leads) as the input for an SMPS. The diagram has not accounted for EMI filter which is before the rectification.

1737560962061.png
 

MisterBill2

Joined Jan 23, 2018
27,402
If the SMPS is rated for a 240 volt input, then certainly it can work. NOW THE QUALIFIER: BUT consider that no portion of the SMPS circuit will be a safe voltage, relative to neutral. Also consider that some switcher supplies do not have an automatic change-over from the 120 volt configuration.
Those are the known factors, considering that we have no additional information.

For all of my desktop PCs, there is a change over switch on the power supply, and what I have seen is that a fool who connects 240 without changing the switch will need to replace an internal fuse in the supply.
 

ronsimpson

Joined Oct 7, 2019
4,676
Power supplies should have isolation and really don't care that the voltages are related to ground.
They want L2-L1 to be near 220V (240)
They will work if L1=0 and L2=220 or the reverse of that. Hot wire & Neutral.
Will work if L1=-110 and L2=+110. (out of phase hot wires)
They are OK if L1, L2 ore within 500V of ground.
 

Thread Starter

forrestk9

Joined Jan 7, 2025
5
Power supplies should have isolation and really don't care that the voltages are related to ground.
They want L2-L1 to be near 220V (240)
They will work if L1=0 and L2=220 or the reverse of that. Hot wire & Neutral.
Will work if L1=-110 and L2=+110. (out of phase hot wires)
They are OK if L1, L2 ore within 500V of ground.
Considering 240V AC for a general residential application. Aren't they split phase? L1=-120 and L2=+120
 

MisterBill2

Joined Jan 23, 2018
27,402
OK, I see that the problem is that it is a single 220 volt input. AND, I realize that you are not the person who wants to connect two 120 volt power modules to something. What is shown should work quite well.
 
Top