I have built a breadboard power supply based on an ATX PSU, which gives me +/-12V rails, and thought it would be good to also have a variable voltage source that I can adjust to anywhere between -12V and +12V (or as close as is practical).
As far as I can tell, using conventional linear regulators require separate regulators for positive and negative voltages (such as an LM317 and an LM337), which would require a switch or something to switch between positive and negative voltages, and I will be restricted to voltage magnitudes between 1.25V (the minimum available from the regulators) and ~10V (12V minus the dropout voltage), so I am wondering if there are other options.
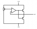
A solution I came up with is to use a potentiometer as a voltage divider between the two rails to create a reference voltage which is buffered by an op-amp, and then a push-pull output with 2 transistors, as pictured below.

Are there any significant issues with this circuit? I think the main considerations are:
Are there any particular issues with this solution? I guess I could make it more robust by utilising a voltage reference IC to feed the potentiometer (then scaling/offsetting the voltage to get the correct output voltage) to counter any drift in the +/-12V rails, but I don't think I will need this to be particularly accurate.
As far as I can tell, using conventional linear regulators require separate regulators for positive and negative voltages (such as an LM317 and an LM337), which would require a switch or something to switch between positive and negative voltages, and I will be restricted to voltage magnitudes between 1.25V (the minimum available from the regulators) and ~10V (12V minus the dropout voltage), so I am wondering if there are other options.
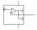
A solution I came up with is to use a potentiometer as a voltage divider between the two rails to create a reference voltage which is buffered by an op-amp, and then a push-pull output with 2 transistors, as pictured below.

Are there any significant issues with this circuit? I think the main considerations are:
- Voltage Swing: if I use a rail-to-rail op amp, then the output voltage would be able to come to within ~0.7V of either of the rails
- Current limit: either driven by the current limit of the voltage rails, or power dissipation in the transistors
- Possibly worth putting a resettable fuse on the output?
Are there any particular issues with this solution? I guess I could make it more robust by utilising a voltage reference IC to feed the potentiometer (then scaling/offsetting the voltage to get the correct output voltage) to counter any drift in the +/-12V rails, but I don't think I will need this to be particularly accurate.


